Members interested in installing their own renewable generation equipment such as solar panels can begin the process of applying for interconnection here. Sussex Rural Electric Cooperative will work with members to ensure that generation equipment is installed in a proper and safe manner and in accordance with all applicable codes, standards, regulations, laws, and insurance requirements. Members will be responsible for coordinating the installation and approval of electric power generators with the local code inspection authority (township or municipality).
In the packet below, you will find several of the key documents you will need to apply for interconnection. Please complete this application and submit it alongside other key documents to our office at 64 County Route 639 in Sussex, NJ 07461. To send in a pdf version of your application packet, attach the file in an email sent to solar@sussexrec.com.
Residential Interconnection Application ➤ Commercial Interconnection Application ➤ Return to Main Renewable Energy Page ➤
SREC INTERCONNECTION PROCESS
Application to Approval
If you are interested in having renewable generation equipment installed at your residence, you must first work with a contractor to determine the appropriate sizing for your energy needs, the type of equipment needed, and the ideal location of this equipment.
All systems must comply with the current interconnection policies and processes of the Cooperative. Systems that have not completed the process or followed the policies will not be allowed to interconnect until they have complied with all current requirements. The generating system's size cannot exceed 100% of your annual consumption, meaning it cannot be larger than your electricity usage in the last 12 months.
The primary concern for our Cooperative is the safe operation of the system. One key element is the availability of a manual AC disconnect where our crews can lock out the system if they are working nearby. The lock out on the inverter is acceptable as long as it is accessible at all times. This means it cannot be in a garage or behind a locked gate. Designs without this feature will not be approved for construction.
The Member shall provide automatic disconnecting devices with appropriate control devices which will isolate the facility from the Cooperative system within a time period specified by the Cooperative for, but not necessarily limited to, the following conditions:
- A fault on the Member's equipment.
- A fault on the Cooperative system.
- A de-energized Cooperative line to which the Member is connected.
- An abnormal operating voltage or frequency.
- Failure of automatic synchronization with the Cooperative system.
- Loss of a phase or improper phase sequence.
- Total harmonic content in excess of 5%.
- Abnormal power factor. The devices shall be so designed and constructed to prevent reconnection of the facility to the Cooperative system until the cause of disconnection is corrected.
For renewable energy systems larger than 100 kW, the Cooperative may require an independent engineering assessment of the impact on the Cooperative's facilities. This study is used to determine upgrades and enhancements that will be required on the Cooperative's facilities as a result of the interconnection of the renewable energy system. The Cooperative will provide the member with a cost for this study. Payment for the study is required in advance and is necessary for the study to begin.
Access our Online Residential Interconnection Application
When installing a renewable power generator which you are planning to interconnect with the distribution system, we must review your plans to ensure both the appropriate sizing of the system and that personnel safety and system reliability will not be compromised. Your installation must meet our expectations and requirements for interconnection and all equipment used must be approved as a device for interconnection.
The following items must be completed and submitted by the member and/or their project designers to comply with Sussex Rural Electric Cooperative's interconnection process, these include:
- Application for Operation of Member-Owned Renewable Generation - This application is used by the Cooperative to determine the required equipment configuration for the member interface. Every effort should be made to supply as much information as possible. This document is included in the Residential Interconnection Agreement.
- Please Note: If your proposed renewable power installation is 20 kW or less and no power will be exported, you only need to complete Part 1 of the application. If your generator is more than 20 kW, you must complete Parts 1 and 2.
- Interconnection and Power Purchase Agreement - This agreement, to be signed by the member, is the contract between the member and Sussex Rural Electric Cooperative regarding the installation of electric generating facilities at the member's home, interconnection into Sussex Rural Electric Cooperative's electrical distribution system, and the sale of electric energy to Allegheny Electric Cooperative. This document is included in the Residential Interconnection Agreement.
- Schedule A - A part of the Interconnection and Power Purchase Agreement, this document serves as a description of the proposed electric generating facilities to be installed at the member's home. This document is included in the Residential Interconnection Agreement.
- PV Watts - In conjunction with the contractor, the member must provide a PV Watts calculation showing how the proposed system size was calculated. A load calculator will not be accepted. The system's size cannot be greater than the estimated annual consumption. You may consult records of your recent energy usage at www.srecbillpay.com in order to determine the maximum possible size of your generation system. If your proposed system size is larger than your usage, we will request a revision of the application with a reduced system size. A system that exceeds 100% of the home's annual usage will not be approved.
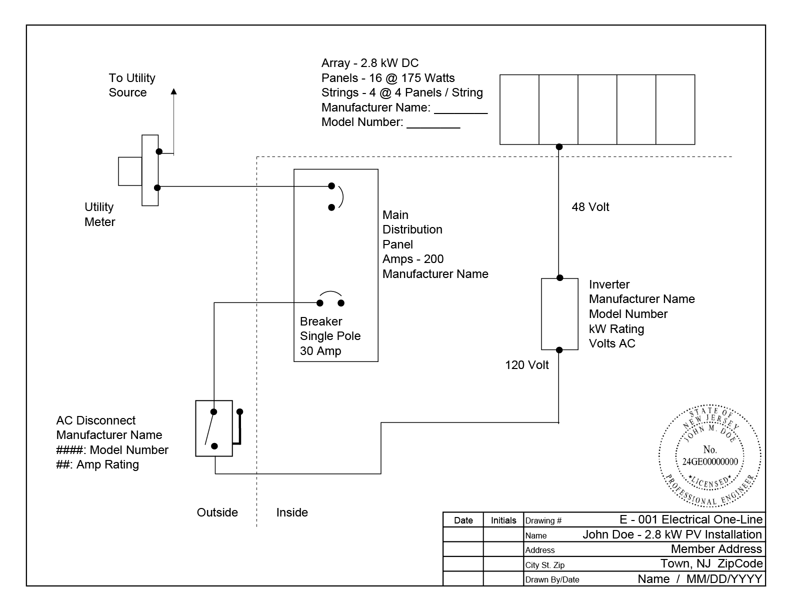
- Site Plan - Site plan should provide an aerial view of the structures, each panel in the system, and the orientation of the structure and panels with applicable Professional Engineer stamp. This site plan MUST include a clearly-marked manual AC disconnect visible from the meter location. Click here for an example of the required site plan.
- Systems designed for homes with meters detached from the home may be asked to provide a sample of a permanent, engraved placard to be placed at the meter to show the disconnect's location. Sussex REC's engineering department will review panel placement. Panels can be placed on multiple structures but, per our rules, solar panels installed on a metered structure must be connected to that specific structure's meter and not to any other nearby structure's electric meter.
- One-Line Drawing - Technical diagram showing the system and its interconnection design with applicable Professional Engineer stamp. Click here for an example of the required one-line drawing.
- Technical Documents - Technical specification cut sheets of equipment being used in this system design
- Application Fee - Along with this application, we require an application fee before your proposed system can be reviewed by our engineering department.
- Systems sized under 20 kW require an application fee of $100.00 and systems sized between 20 and 100 kW require an application fee of $250.00.
- Applications fees can be paid in the form of the check made out to Sussex Rural Electric Cooperative and sent to our office at the below address. Please be sure that this check includes the homeowner's name, address, or SREC member account number in the memo line.
These documents should be completed and submitted to Sussex Rural Electric Cooperative by email to solar@sussexrec.com or by mail to:
ATTN: Solar Interconnection
Sussex Rural Electric Cooperative
64 County Route 639
Sussex, NJ 07461
Sussex Rural Electric Cooperatives interconnection team will receive and review all documentation submitted as part of your interconnection application. If anything is missing or does not comply with Sussex Rural Electric Cooperative's interconnection requirements, they will communicate this to your contractor's interconnection department. Once all parts of the application AND the application fee have been recieved, the interconnection team will submit your application for review by SREC's engineering department.
All documentation included in your application will be reviewed by Sussex Rural Electric Cooperative's engineering department. This review will confirm that all required information is included, that the system is appropriately sized for the member's energy usage, and that all aspects of the design are in line with Sussex Rural Electric Cooperative's rules and requirements.
When approved, Sussex Rural Electric Cooperative will contact the contractor's interconnection department via email and give permission to install the system. Following this, the system must be installed without deviating from the approved application. If any changes need to be made to this design, a revised application must be submitted to Sussex Rural Electric Cooperative and any changes must be approved by the Cooperative.
Once the system has been installed, the applicant must reach out to their township or municipality in order to arrange inspection. While the system will need to be turned on for this inspection and for other tests, please do not leave the system running for extended periods before Sussex Rural Electric Cooperative gives your solar company Permission to Operate. If it is found that the system is running without having been given Permission to Operate, your solar company will be instructed to turn off production or Sussex Rural Electric Cooperative will need to turn off the system and seal the disconnect switch in the off position until the time of the next inspection/field test.
Following approval from the town's inspection, their Certificate of Approval must be sent to Sussex Rural Electric Cooperative. Once received, SREC will contact your contractor's interconnection department in order to schedule the utility's final inspection, field test, and net meter install.
Upon receipt of your Certificate of Approval from your township or municipality's inspection, Sussex Rural Electric Cooperative can move forward with scheduling its final inspection of your system and the net meter install. Please note that the member's bill must be paid in full before we can proceed to schedule this final step.
An engineering representative from Sussex Rural Electric Cooperative will reach out to your contractor's interconnection team in order to schedule our inspection. Inspections must take place between the hours of 9 am and 2 pm. Someone who knows how to operate the system must be present for this inspection, but the homeowner is not required to be present.
At the time of the inspection, an SREC technician will inspect your system to insure there is a visible and accessible disconnect switch, that your generation system produces correctly, and that there is no voltage on the load side. A field test will be performed to ensure that the interconnecting system will disconnect from SREC's sytem during an outage. At the time of this inspection, our technician will also install the net meter (more details on net metering can be found below).
Following a successful inspection, field test, and net meter install, Sussex Rural Electric Cooperative will issue a Permission to Operate letter to your contractor's interconnection team. Upon receipt of this letter, you may begin operating your system.

Following a successful field test during SREC's final inspection, SREC's technician will install the net meter.
The basic concept behind our net metering process is to accurately determine both power consumed and power produced. Based on these values, Sussex REC will calculate the monthly bill amount. At a minimum, the member’s monthly bill will be the applicable System Connection Fee as defined by our tariff and further revised as per your specific situation.
Each kilowatt hour of energy produced will be credited with the full retail rate applicable for the class of service. In months where the production exceeds consumption, the excess will be recorded in a bank. In months where consumption exceeds production, the excess consumption will be offset by the bank, if any is available. When consumption exceeds production plus excess bank, this excess consumption will be billed at the full retail rate applicable for the class of service.
Excess energy remaining in the bank after the period of a year is purchased on an annual basis at avoided cost by Allegheny Electric Power according to your contract with them. The following illustrates how our net metering process works.
System data inputs:
- Consumption from the premise net meter
- Production from the premise net meter
- Sussex REC tariffs
Calculation:
- When Production > Consumption, the difference goes to the Bank.
- When Consumption > Production, the difference comes out of the Bank.
- The minimum monthly bill is the applicable Service Connection Fee (SCF)
- In any month where Consumption > Production + Bank balance, the bill is the SCF + (Consumption - (Production + Bank))
| Month | Consumption | Production | Bank | Bill Component |
|
Jan. |
100 | 90 | 0 | SCF + 10 |
| Feb. | 100 | 105 | 5 | SCF |
| Mar. | 65 | 85 | 25 | SCF |
| Apr. | 65 | 60 | 20 | SCF |
| May | 75 | 50 | 0 | SCF + 5 |
| Jun. | 65 | 80 | 15 | SCF |
| Jul. | 125 | 110 | 0 | SCF + 35 |
| Aug. | 145 | 110 | 0 | SCF + 35 |
| Sep. | 115 | 110 | 0 | SCF + 5 |
| Oct. | 95 | 105 | 10 | SCF |
| Nov. | 90 | 75 | 0 | SCF + 5 |
| Dec. | 105 | 95 | 0 | SCF + 10 |
| Total | Net energy to be purchased | Net energy to be purchased | 0 |
